- Наличност: 42
- Модел: TLB502551
- код на продукта: SA13935
- Локация: Карлово

гр. Карлово 4300, Пловдивско Шосе
тел.: 0882-827780
| Озновни характеристики | |
| Категория | 2 |
| Състояние | Нов |
| Размери и тегло | |
| Височина (мм.) | 51 |
| Външен диаметър (мм.) | 50 |
| Вътрешен диаметър (мм.) | 25.4 |
Мнения
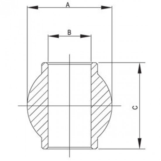
Ябълка (сфера) с яка за централен винт (трета точка) на навесна система за трактор категория 2. Произведена от стомана с висока устойчивост на ръжда. Подложена на специална термо-обработка и постигната твърдост 58-62 HRS.
Размери:
- Височина : С =51 мм.
- Диаметър : А=50 мм.
- Вътрешен отвор: В= Ф 25,4 мм.
Технологичен толеранс на отвора: А12 / А13
* вижте схемата в раздел - допълнителни снимки към продукта
* Грешно избрани ябълки могат да причинят вреда на инвентара и навесната система на трактора. Външният диаметър на ябълката е този, който трябва да съвпадне с категорията на централния винт на трактора, а вътрешният размер трябва да отговаря на диаметъра на щифта на инвентара. При голям допуск от тези размери се получава хлабина, която разбива възлите при работа.
ЗА ПРОИЗВОДИТЕЛЯ KING:
Базираният в Панджаб, Северна Индия производител на части за навесни системи на трактори "KING" оперира 5 завода на площ от 33,500 кв.м. Компанията започва производство през 1992 година и днес е едеин от флагманите в индустрията. Известния със своите изключително качествени стомани Панджаб се обособи като като главен инженерен хъб на изтока. Множество световни производители на трактори се доверяват на KING за снабдяване на части за сглобяване на навесните системи на новите им машини. Индийските части се славят със своята здравина и достъпна цена.
Като официален представител на KING Exports, Agripoint извършва регулярен внос на части за навесна система за трактори и поддържа големи количества и разнообразие от модели на склад в гр. Карлово, България. Нашите специалисти са подбрали подходящите продукти съответстващи на земеделската техника използвана в България и Европа като цяло.
Разгледайте нашите видеа
Научете повече за нас
AGRIPART
ПОРТАЛА AGRIPART
Своеобразен по своята същност, Agripart е създаден през 2016, за да предложи лесен, бърз и сигурен за потребителя достъп до резервни части за трактори и земеделска техника. Днес портала се радва на своята стремглаво растяща популярност и положителна обратна връзка от доволни клиенти. Качествените резервни части, които предлагаме, спечелиха доверието не само на земеделците в Българския, но и на тези от цяла Европа.
ПРОДУКТИ
AGRIPART предлага резервни части за всички възли на трактора, като двигател, скоростна кутия, ходова част, кабина, хидравлична, електрическа и навесна система и др. Поддържат се почти всички Японски, Корейски и Европейски трактори, като Kubota, Yanmar, Iseki, Hinomoto, Shibaura, Mitsubishi, LS, New Holland и др и много марки тракторен инвентар. В магазина се предлагат само налични части на склад и се изпращат към клиента в деня на поръчката.
AGRIPART придоби сомволика на качество, наличност, достъпност, коректност, професионализъм и отговорност.