- Наличност: На склад
- Модел: TLP25160
- код на продукта: SA13873
- Локация: Карлово

гр. Карлово 4300, Пловдивско Шосе
тел.: 0882-827780
| Основни характеристики | |
| Състояние | нов |
Мнения
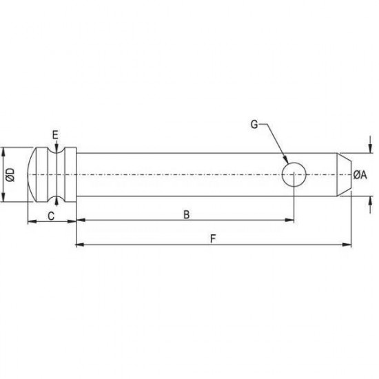
Щифт чоп за навес на трактор с работна дължина 160 мм. и диаметър 25 мм.. Произведен от стомана с висока устойчивост на ръжда. Подложен на специална термо-обработка.
Размери:
- A: 25 мм.
- B: 160 мм.
- C: 20 мм.
- D: 31 мм.
- E: 24 мм.
- F: 175 мм.
- G: 12 мм.
* вижте схемата в раздел - допълнителни снимки към продукта
* Правилният избор на части за навесната система е критичен за дългата устойчивост на навеса и инвентара. Винаги се съобразявайте с допустимата хлабина специфична за връзките на трактора с инвентара. Големите хлабини разбиват елементите с времето, а малките такива могат да доведат до скъсване или счупване на цели възли.
ЗА ПРОИЗВОДИТЕЛЯ KING:
Базираният в Панджаб, Северна Индия производител на части за навесни системи на трактори "KING" оперира 5 завода на площ от 33,500 кв.м. Компанията започва производство през 1992 година и днес е едеин от флагманите в индустрията. Известния със своите изключително качествени стомани Панджаб се обособи като като главен инженерен хъб на изтока. Множество световни производители на трактори се доверяват на KING за снабдяване на части за сглобяване на навесните системи на новите им машини. Индийските части се славят със своята здравина и достъпна цена.
Като официален представител на KING Exports, Agripart извършва регулярен внос на части за навесна система за трактори и поддържа големи количества и разнообразие от модели на склад в гр. Карлово, България. Нашите специалисти са подбрали подходящите продукти съответстващи на земеделската техника използвана в България и Европа като цяло.
Разгледайте нашите видеа
Научете повече за нас
AGRIPART
ПОРТАЛА AGRIPART
Своеобразен по своята същност, Agripart е създаден през 2016, за да предложи лесен, бърз и сигурен за потребителя достъп до резервни части за трактори и земеделска техника. Днес портала се радва на своята стремглаво растяща популярност и положителна обратна връзка от доволни клиенти. Качествените резервни части, които предлагаме, спечелиха доверието не само на земеделците в България, но и на тези в цяла Европа.
ПРОДУКТИ
AGRIPART предлага резервни части за всички възли на трактора, като двигател, скоростна кутия, ходова част, кабина, хидравлична, електрическа и навесна система и др. Поддържат се почти всички Японски, Корейски и Европейски трактори, като Kubota, Yanmar, Iseki, Hinomoto, Shibaura, Mitsubishi, LS, New Holland и др и много марки тракторен инвентар. В магазина се предлагат само налични части на склад и се изпращат към клиента в деня на поръчката.
AGRIPART придоби сомволика на качество, наличност, достъпност, коректност, професионализъм и отговорност.